作者: 得銳自動化發表時間:2019-07-17 08:10:33瀏覽量:5896【小中大】
梭閥是意大利OMAL自控閥門公司研發的一款直行程閥,它的全名叫“VIP氣動梭閥”,它將執行機構和切斷元件合二為一。當時,OMAL氣動梭閥的推出,可以說是轟動歐洲,并于當年獲得歐洲工業設計金獎。體積小巧、壽命長、免維護等優點,被主要應用于小型空分設備中的制氧機、制氮機和精密醫療設備中。

為什么VIP氣動梭閥在制氧機、制氮機上廣受歡迎?我們不得不先說說在梭閥推出之前,小型空分設備在流體控制上所遇到的難題。
問題一:空間緊湊。小型空分設備一般為制氧/制氮機、醫用氣體設備等。設備體積較小,空間緊湊。其他閥門提交較大,安裝不上。
問題二:故障率高。在梭閥應用之前,一般用角座閥、蝶閥、球閥等其他閥門代替,其在空分設備上故障率偏高。
問題三:壽命很短。一般氣動球閥使用壽命只有5萬次左右,使用周期短,壽命普遍不長。
問題四:維護頻繁。小型設備閥門開啟頻繁,閥門密封磨損嚴重,要經常維護。
問題五:成本提高。使用氣動球閥或氣動蝶閥成本相對較高,而且對氣源消耗較大,提高空氣壓縮機負荷。
這些問題的存在,會讓你嘔心瀝血、潛心打造的制氧制氮設備,因一臺閥門而失去市場競爭力!
為什么是“史無前例”的推出?因為制氧制氮機在以前都是采用角座閥,梭閥在OMAL推出之前是沒有的。所以梭閥是僅屬于OMAL的專利產品。意大利OMAL推出VIP梭閥,解決了制氧制氮機、及其他小型設備的流體控制難題。并于1998年獲得歐洲工業設計金獎。
VIP梭閥體積十分小,將執行機構與切斷元件合二為一,閥芯同時也是執行機構的活塞。因此它可以非常緊湊,比氣動球閥體積小大約60%。非常適用于空間緊湊的小型空分設備上。其次,VIP梭閥沒有任何外動元件,安裝方便,簡單可靠。完美滿足精密設備中狹小空間閥門的安裝。

VIP梭閥的第二個特點就是性能穩定。由于介質壓力全部釋放在閥座上,活塞軸的移動幾乎不受介質阻力干擾,可快速開或關。經改進的閥內結構,使介質流態更好,壓損更小。同時,VIP梭閥通過ATEX(爆炸性環境)認證、PED(歐盟安全標準壓力)認證。
好的品質,為您的設備帶來良好的口碑效應,為您的品牌建設添磚加瓦VIP梭閥的使用周期長。首先,取決于優良的密封性能。其次,活塞軸幾戶不承受介質的阻力,磨損很小,開關次數輕松達到50萬次,是氣動球閥壽命的10倍。
梭閥內外表面鍍鎳,內表面防腐蝕處理,已預加潤滑脂。再加上其使用周期特別長,可真正做到免維護!所以,售后維修這塊,客戶安心您也省心(qián)!
1.VIP梭閥的價格低于氣動球閥、氣動蝶閥、角座閥等
1.內部通道直徑等于管道直徑
流體總流量
2.集成在單個產品中的執行器和閥門
與驅動閥門相比,空間(-60%)更小,成本更低3.帶化學鍍鎳的活塞(20) -25微米)
增強對腐蝕劑的保護
由于表面硬度的增加(400 -550 HV),減少了墊圈的磨損
4.唇形密封
墊與O形圈相比,墊圈磨損更少

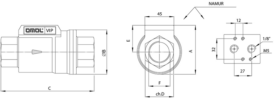
尺寸表
DN通經
10
15
20
25
32
40
50
連接螺紋尺寸(氣體)
3/8”
1/2”
3/4”
1”
1”1/4
1”1/2
2”
進氣孔mm
10
15
20
25
32
40
50
A mm.
54
60
70
76
92
102
115
?B mm.
46
51,7
63,5
69
86
96
109
C mm.
98
112
135
143
165
180
207
ch. D mm.
22
27
33
41
50
60
75
E mm.
31
34
39
42
49
54
60
空氣 雙動 耗氣量 dm3/循環
0,024
0,035
0,063
0,08
0,15
0,219
0,31
空氣 單動 耗氣量 dm3/循環
0,012
0,017
0,031
0,04
0,075
0,109
0,155
雙動 重量 Kg
0,8
1
1,59
1,8
3,13
3,5
5,5
單動 重量 Kg
0,85
1,05
1,69
1,88
3,41
3,7
5,8
|
位子 |
部件名稱 |
Q.ty |
所用材料 |
處理標準 |
|
1 |
閥體 |
1 |
黃銅 |
EN 12165 CW617N - 鍍鎳 |
|
2 |
閥套 |
1 |
黃銅 |
EN 12165 CW617N - 鍍鎳 |
|
3 |
閥座 |
1 |
黃銅 |
EN 12165 CW617N - 鍍鎳 |
|
4 |
閥座密封圈 |
1 |
丁晴橡膠橡膠/氟橡膠/乙丙橡膠橡膠 |
|
|
5 |
契型密封圈 |
2 |
丁晴橡膠橡膠/氟橡膠/乙丙橡膠橡膠 |
|
|
6 |
環形閥桿圈 |
2 |
丁晴橡膠橡膠/氟橡膠/乙丙橡膠橡膠 |
|
|
7 |
活塞 |
1 |
黃銅 |
EN 12164 CW614N - 鍍鎳 |
|
8 |
環形活塞圈 |
1 |
丁晴橡膠橡膠/氟橡膠/乙丙橡膠橡膠 |
|
|
9 |
技術參數標牌 |
1 |
聚酯纖維 |
|
|
10 |
歐瑪爾( OMAL)商標標 |
1 |
聚酯纖維 |
|
|
11 |
閥座環 |
1 |
黃銅 |
EN 12164 CW614N -鍍鎳 |
|
12 |
閥套環 |
1 |
丁晴橡膠橡膠/氟橡膠/乙丙橡膠橡膠 |
|
|
13 |
彈簧(僅用于單動型) |
1 |
不銹鋼 |
|
想了解更多信息,歡迎各位關注得銳自動化的微信公眾號!得銳自動化:意大利OMAL中國區總代理。
